PRODUCT CATEGORIES

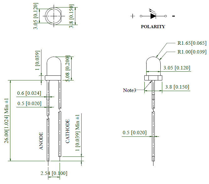
3mm Round Lamp 5.08mm Lens
| Product | λD(nm) | Current (mA) | IV (mcd) | VA 2θ1/2 | Vf (V) | Emission Color | Lens Color |
|---|---|---|---|---|---|---|---|
| typ | max | ||||||
| INL-3AYG30 | 573 | 20 | 270 | 30 | 2.6 | Yellow Green | W.C. |
| INL-3AY30 | 592 | 20 | 460 | 30 | 2.6 | Yellow | W.C. |
| INL-3AA30 | 610 | 20 | 460 | 30 | 2.6 | Amber | W.C. |
| INL-3AR30 | 632 | 20 | 780 | 30 | 2.6 | Red | W.C. |
| INL-3AB30 | 470 | 20 | 5000 | 30 | 3.8 | Blue | W.C. |
| INL-3AG30 | 525 | 20 | 18000 | 30 | 3.8 | Green | W.C. |
| INL-3AW30 | x=0.28 Y=0.28 | 20 | 8500 | 30 | 3.8 | White | W.C. |






